設計者のためのポータルサイト CADデータ無料ダウンロード
CADデータの無料ダウンロード
  • CADデータ
  • 技術計算
  • カタログ一括請求
  • CAD講座
  • サポート・FAQ
  • facebook
  • サイトマップ
  • ログイン・ログアウト
ホーム > Mechanical Desktop > パーツのアセンブリ(2)
Mechanical Desktopではじめる3次元モデリング

第8回「パーツのアセンブリ(2)」


 前回、アセンブリを作成するために必要なパーツは揃いましたが、まだこれらのパーツ間には拘束が付いていません。

 前回作図領域上に作成したパーツに、アセンブリ拘束を付けていきましょう。

アセンブリ拘束条件とDOF記号


 Desktopブラウザ上でBODYを右クリックし、「DOF記号」を選択します。SUB1にも同じようにして下さい。

 BODY、SUB1それぞれのパーツのDOF記号が表示されます。
 
 これはパーツのアセンブリ拘束状態を示すもので、拘束がついていない状態では6つの自由度が表示されています。

 
 まだ拘束していないのにBODYには自由度が表示されていません。Desktopブラウザで見てみると、このパーツはアセンブリ階層の一番上にあります。
 このパーツを基本パーツといい、モデル空間上に固定された状態となります。

 次に、サブアセンブリSUB1をアクティブにします。CYLINDER,NUTのDOF記号を表示させます。

 ここでも、サブアセンブリ階層の一番上にあるCYLINDERが基本パーツとして固定されています。
 パーツをアセンブリするための拘束条件には、以下のようなものがあります。
[アセンブリ]メニュ―[3D拘束]、[3D Constraints]ツールバーから選択することができます。

アセンブリ拘束を付加


まずはサブアセンブリSUB1のCYLINDERとNUTを拘束します。
CYLINDERの先端から20の距離のところにNUTが付くよう拘束します。
 サブアセンブリSUB1をアクティブ化してから作業に入りましょう。

「挿入」コマンドを選択します。
コマンド: _aminsert
1 番目の円状エッジを選択:
オプションを入力 [クリア(C)/反転(F)] <受け入れ(E)>:
 
 
CYLINDERのエッジを選択します。矢印の方向を選択し、enterします。

2 番目の円状エッジを選択:
オプションを入力 [クリア(C)/反転(F)] <受け入れ(E)>:


 NUTのエッジを選択します。矢印の方向を選択し、enterします
オフセットを入力 <0>: 20
CYLINDERとNUTの間の距離、20をコマンドラインに入力します。

 CYLINDERとNUTが拘束されましたが、まだDOFが残っていますので、引きつづき拘束を付加していきます。

作業フィーチャーを用いたアセンブリ拘束


 左側面から見たときに、ナットが左のような向きになるように拘束します。

 「角度」コマンドを選択します。
 NUTの上面とCYLINDERの作業平面の角度を0度に設定します。
コマンド: _amangle
ジオメトリの 1 番目のセットを選択:
オプションを入力 [クリア(C)/反転(F)] <受け入れ(E)>:


 ジオメトリの 2 番目のセットを選択:
 オプションを入力 [クリア(C)/反転(F)] <受け入れ(E)>:

作業平面を選択します。
矢印の方向を決定したらenterします。

 角度を入力 <0>:

 
この2面の角度は0度なので、そのままenterします。

角度コマンドが付加されました。

 NUTのDOFの矢印が消え、NUTはCYLINDERに完全拘束されました。

 
 なぜ作業軸、作業平面を今回作成したか、疑問に思われるかもしれません。
今回の場合、NUTの上面を上のようにZX方向に配置しようとした時、CYLINDERには同じ方向の平面が存在していなかったからです。
 MDTでは作業フィーチャーにより、作業平面は平面、作業軸は線分、作業点は点としてアセンブリ拘束を付けることができます。

サブアセンブリと基本パーツを拘束


 次に、サブアセンブリSUB1(NUT+CYLINDER)と基本パーツのBODYに拘束を付けましょう。
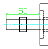
 CYLINDERの先端からBODYまでの距離が50になるように拘束します。
アセンブリ(Desktopブラウザの一番上にあるファイル名)をアクティブにします。
BODYとSUB1のDOF記号を表示させておきましょう。

「挿入」を選択します。

 コマンド: _aminsert
 1 番目の円状エッジを選択:
 オプションを入力 [クリア(C)/反転(F)] <受け入れ(E)>:
CYLINDERの先端のエッジを選択し、矢印の方向を設定したらenterします。
 2 番目の円状エッジを選択:
 オプションを入力 [クリア(C)/反転(F)] <受け入れ(E)>: 

BODYの面を選択し、矢印の方向をenterします。

 オフセットを入力 <0>: 50
コマンドラインにオフセット値50を入力してenterします。

*   *   *   *   *   *   *   *   *   *   *   *  


 CYLINDERがBODYに挿入されましたが、まだDOFが残っています。引き続きアセンブリ拘束をつけて行きましょう。
        

「角度」を選択します。

 コマンド: _amangle
 ジオメトリの 1 番目のセットを選択:
 オプションを入力 [クリア(C)/次(N)/反転(F)/切り替え(Y)] <受け入れ (E)>:

NUTの上面を選択し、矢印方向を定義しenterします。

        

 ジオメトリの 2 番目のセットを選択:
 オプションを入力 [クリア(C)/次(N)/反転(F)/切り替え(Y)] <受け入れ(E)>: 

BODYの上面を選択し、矢印方向を定義してenterします。

角度を入力 <0>:
2面間の角度は0なのでそのままenterします。

SUB1がBODYに完全に拘束されました。

DOF記号の矢印が全て消えています。

(補足)
・アセンブリを作成する際、個々のパーツの方向がばらばらな場合、いざ3D拘束を付ける時に手間取ってしまうことがあるかと思います。
 拘束を付ける前に移動や回転コマンドでパーツの位置や方向を変更しておくと作業がしやすくなるのではと思います。

・複雑な形状のパーツや何個ものパーツをアセンブリする時には、不要な図形要素やパーツを非表示にすると画面がすっきりして見やすくなります。Desktopブラウザでオブジェクトを右クリックしたメニューや、表示/非表示コマンドを使用するといいでしょう。
 今回は作業平面・作業軸を数箇所で非表示にしています。

次回は

 

アセンブリシーン・ツイーク作成について説明していきます。

※「質問」・・・弊社サイトの「掲示板」にリンクしています。
 MDTやCAD全般に関する質問、情報交換の場としてご利用下さい。